| Triassic and Jurassic |
|
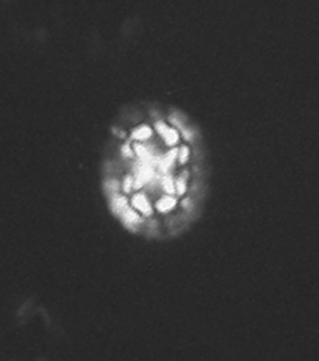
| Anulasphaera helvetica
Grun and Zweili, 1980
|
| Callovian (Middle Jurassic)
|
| Denver Borehole, UK |
| PC side view |
|
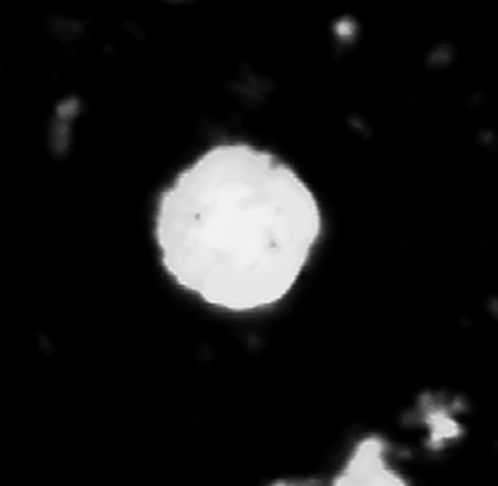
| Anulasphaera helvetica
Grun and Zweili, 1980
|
| Callovian (Middle Jurassic)
|
| Denver Borehole, UK |
| XPL side view |
|
| Anulasphaera helvetica
Grun and Zweili, 1980
|
| Callovian (Middle Jurassic)
|
| Denver Borehole, UK |
| (SEM) distal view |
|
| Anulasphaera helvetica
Grun and Zweili, 1980
|
| Callovian (Middle Jurassic)
|
| Denver Borehole, UK |
| (SEM) proximal oblique view |
|
| Stephanolithion bigotii bigotii
Deflandre, 1939
|
| Lower Oxfordian (Upper Jurassic)
|
| Cleveland Farm Pit, wiltshire, UK |
| XPL |
|
| Stephanolithion bigotii bigotii
Deflandre, 1939
|
| Upper Kimmeridgian (Upper Jurassic)
|
| Gorodische, Russia |
| SEM |
|
| Stephanolithion speciosum octum
Deflandre in Deflandre and Fert, 1954 ssp. Rood and Barnard, 1972
|
| Lower Bathonian (Middle Jurassic)
|
| Port en Bessin, N. France |
| XPL |
|
| Stephanolithion speciosum octum
Deflandre in Deflandre and Fert, 1954 ssp. Rood and Barnard, 1972
|
| Lower Bathonian (Middle Jurassic)
|
| Port en Bessin, N. France |
| PC |
|
| Stephanolithion speciosum
Deflandre in Deflandre and Fert, 1954 ssp. octum Rood and Barnard, 1972
|
| Upper Bajocian-Lower Callovian (Middle Jurassic)
|
| Escoville, France |
| distal view |
|
| Biscutum novum
(Goy,1979) Bown, 1987
|
| Aalenian/Bajocian
|
| Brenha, Portugal |
| XPL |
|
| Biscutum novum
(Goy,1979) Bown, 1987
|
| Lower Toarcian
|
| Trimeusel, Germany |
| distal view |
|
| Biscutum novum
(Goy,1979) Bown, 1987
|
| Upper Toarcian
|
| Ballrechten, Germany |
| proximal view |
|
| Carinolithus superbus
(Deflandre in Deflandre and Fert, 1954) Prins in Grun et al, 1974
|
| Lower Toarcian-Lower Bajocian
|
| Ilminster, UK |
| proximal oblique view SEM |
|
| Carinolithus superbus
(Deflandre in Deflandre and Fert, 1954) Prins in Grun et al, 1974
|
| Lower Toarcian-Lower Bajocian
|
| Ilminster, UK |
| side view SEM |
|
| Crucirhabdus minutus
Jafar, 1983
|
| Norian-Rhaetian (Upper Triassic)
|
| Fischerwiese, Austria |
| XPL distal view |
|
| Crucirhabdus minutus
Jafar, 1983
|
| Norian-Rhaetian (Upper Triassic)
|
| Weissloferbach, S. Germany |
| distal view SEM |
|
| Lotharingius haufii
Grun and Zweili in Grun et al, 1974
|
| Lower Toarcian
|
| Untersturmig, Germany |
| XPL |
|
| Lotharingius haufii
Grun and Zweili in Grun et al, 1974
|
| Upper Pliensbachian-Upper Bathonian
|
| Untersturmig, Germany |
| PC |
|
| Lotharingius haufii
Grun and Zweili in Grun et al, 1974
|
| Upper Pliensbachian-Upper Bathonian
|
| Untersturmig, Germany |
| SEM (collapsed coccosphere) |
|
| Parhabdolithus liasicus distinctus
Deflandre in Grasse, 1952 ssp. Bown, 1987
|
| Hettangian-Lower Toarcian
|
| Timor |
| XPL plan view |
|
| Parhabdolithus liasicus distinctus
Deflandre in Grasse, 1952 ssp. Bown, 1987
|
| Hettangian-Lower Toarcian
|
| Timor |
| XPL side view |
|
| Parhabdolithus liasicus distinctus
Deflandre in Grasse, 1952 ssp. Bown, 1987
|
| Hettangian-Lower Toarcian
|
| Mochras Borehole, UK |
| side view (SEM) |
|
| Prinsiosphaera triassica
Jafar, 1983
|
| Norian-Rhaetian
|
| Weissloferbach S. Germany |
| XPL |
|
| Prinsiosphaera triassica
Jafar, 1983
|
| Norian-Rhaetian
|
| ODP Site 761, Wombat Plateau, NW Australian shelf |
| SEM |
 |
| Lower Cretaceous |
|
| Axopodorhabdus albianus
(Black, 1967) Wind and Wise in Wise and Wind, 1977
|
| Middle Albian-Upper Cenomanian
|
| Folkestone, UK |
| XPL |
|
| Axopodorhabdus albianus
(Black, 1967) Wind and Wise in Wise and Wind, 1977
|
| Middle Albian-Upper Cenomanian
|
| English Channel Borehole R330, UK |
| distal view SEM |
|
| Calcicalathina oblongata
(Worsley, 1971) Thierstein, 1971
|
| Lower Valanginian-Lower Barremian
|
| Bulgaria |
| XPL distal view |
|
| Calcicalathina oblongata
(Worsley, 1971) Thierstein, 1971
|
| Lower Valanginian-Lower Barremian
|
| DSDP Site 547B, Atlantic Ocean |
| distal view SEM |
|
| Calcicalathina oblongata
(Worsley, 1971) Thierstein, 1971
|
| Lower Valanginian-Lower Barremian
|
| DSDP Site 547B, Atlantic Ocean |
| side view SEM |
|
| Ceratolithina bicornuta
Perch-Nielsen, 1988
|
| Middle Albian-Upper Albian
|
| Folkestone, UK |
| XPL |
|
| Corollithion kennedyi
|
| Cenomanian
|
| Lydden Spout, Folkestone, UK |
| XPL |
|
| Cruciellipsis cuvillieri
(Manivit, 1966) Thierstein, 1971
|
| Lower Berriasian-Upper Hauterivian
|
| DSDP Site 397, E.Atlantic Ocean |
| XPL |
|
| Cruciellipsis cuvillieri
(Manivit, 1966) Thierstein, 1971
|
| Lower Berriasian-Upper Hauterivian
|
| DSDP Site 547B, Atlantic Ocean |
| distal view SEM |
|
| Eiffellithus turriseiffelii
(Deflandre in Deflandre and Fert, 1954) Reinhardt, 1965
|
| Upper ALbian-Upper Maastrichtian
|
| Folkestone, UK |
| XPL distal view |
|
| Eprolithus floralis
(Stradner, 1962) Stover, 1966
|
| Lower Aptian-?Lower Campanian
|
| Folkestone, UK |
| XPL distal view |
|
| Gartnerago segmentatum
|
| Cenomanian-Maastrichtian
|
| Langdon Stairs, Dover, Kent, UK |
| XPL distal view |
|
| Micrantholithus obtusus
Stradner, 1963
|
| Berriasian-Upper Aptian
|
| Speeton, UK |
| XPL |
|
| Micrantholithus obtusus
Stradner, 1963
|
| Berriasian-Upper Aptian
|
| DSDP Site 398D, Atlantic Ocean |
| SEM |
|
| Nannoconus abundans
Stradner and Grun, 1973
|
| Barremian-?Lower Aptian
|
| Speeton, UK |
| XPL |
|
| Nannoconus abundans
Stradner and Grun, 1973
|
| Barremian-?Lower Aptian
|
| Speeton, UK |
| side view SEM |
|
| Prediscosphaera columnata
(Stover, 1966) Perch-Nielsen, 1984
|
| Lower Albian-Turonian
|
| Folkestone, UK |
| XPL distal view |
|
| Prediscosphaera columnata
(Stover, 1966) Perch-Nielsen, 1984
|
| Lower Albian-Turonian
|
| Folkestone, UK |
| XPL side view |
|
| Prediscosphaera columnata
(Stover, 1966) Perch-Nielsen, 1984
|
| Lower Albian-Turonian
|
| Copt Point, UK |
| side view SEM |
|
| Watznaueria barnesae
(Black in Black and Barnes, 1959) Perch-Nielsen, 1968
|
| Lower Bajocian-Maastrichtian
|
| Gorodische, Russia |
| XPL |
|
| Watznaueria barnesae
(Black in Black and Barnes, 1959) Perch-Nielsen, 1968
|
| Lower Bajocian-Maastrichtian
|
| Speeton, UK |
| SEM (Coccosphere) |
|
| Watznaueria britannica
(Stradner, 1963) Reinhardt, 1964
|
| Lower Bajocian-Lower Cenomanian
|
| Cleveland Farm Pit, Wiltshire, UK |
| XPL |
|
| Zeugrhabdotus erectus
(Deflandre in Deflandre and Fert, 1954) Reinhardt, 1965
|
| Lower Pliensbachian?-Upper Maastrichtian
|
| Cleveland Farm Pit, Wiltshire, UK |
| XPL |
|
| Zeugrhabdotus erectus
(Deflandre in Deflandre and Fert, 1954) Reinhardt, 1965
|
| Lower Pliensbachian?-Upper Maastrichtian
|
| Mochras Borehole, UK |
| distal view SEM |
|
| Zeugrhabdotus erectus
(Deflandre in Deflandre and Fert, 1954) Reinhardt, 1965
|
| Lower Pliensbachian?-Upper Maastrichtian
|
| Dorset, UK |
| side view SEM |
 |
| Upper Cretaceous |
|
| Arkhangelskiella cymbiformis
Vekshina, 1959
|
| Campanian-Maastrichtian
|
| DSDP Site 249, Indian Ocean |
| XPL distal view |
|
| Arkhangelskiella cymbiformis
Vekshina, 1959
|
| Campanian-Maastrichtian
|
| Keswick, Norfolk, UK |
| oblique distal view SEM |
|
| Eiffellithus eximius
(Stover, 1966) Perch-Nielsen, 1968
|
| Turonian-Campanian
|
| Zoe C BH, South Africa |
| XPL |
|
| Eiffellithus eximius
(Stover, 1966) Perch-Nielsen, 1968
|
| Turonian-Campanian
|
| Zoe C BH, South Africa |
| XPL rotated |
|
| Lithastrinus grillii
Stradner, 1962
|
| Coniacian-Campanian
|
| near Plymouth Bluff, Lowndes County, Mississippi, USA |
| XPL |
|
| Lucianorhabdus cayeauxii
Deflandre, 1959
|
| Coniacian-Maastrichtian
|
| near Portland, Dallas County, Alabama, USA |
| XPL |
|
| Marthasterites furcatus
(Deflandre in Deflandre and Firt, 1954) Deflandre, 1959
|
| Turonian-Campanian
|
| DSDP Site 258, E.Indian Ocean |
| XPL |
|
| Marthasterites furcatus
(Deflandre in Deflandre and Firt, 1954) Deflandre, 1959
|
| Turonian-Campanian
|
| DSDP Hole 550B, NE Atalntic Ocean |
| SEM |
|
| Microrhabdulus decoratus
Deflandre, 1959
|
| Cenomanian-Maastrichtian
|
| DSDP Site 401, NE Atlantic Ocean |
| SEM |
|
| Microrhabdulus decoratus
Deflandre, 1959
|
| Cenomanian-Maastrichtian
|
| DSDP Site 249, W. Indian Ocean |
| XPL |
|
| Micula staurophora
(Gardet, 1955) Stradner, 1963
|
| Coniacian-Maastrichtian
|
| near Ripley, Tippah County, Mississippi, USA |
| XPL |
|
| Prediscosphaera arkhangelskyi
(Reinhardt, 1965) Perch-Nielsen, 1984
|
| Santonian-Maastrichtian
|
| DSDP Site 249, W. Indian Ocean |
| XPL |
|
| Prediscosphaera cretacea
(Arkhangelsky, 1912) Gartner, 1968
|
| Cenomanian-Maastrichtian
|
| DSDP Site 249, W. Indian Ocean |
| XPL |
|
| Prediscosphaera cretacea
(Arkhangelsky, 1912) Gartner, 1968
|
| Cenomanian-Maastrichtian
|
| near Plymouth Bluff, Lowndes County, Alabama, USA |
| XPL |
|
| Quadrum gartneri
Prins and Perch-Nielsen in Manivit et al, 1977
|
| Turonian-?Maastrichtian
|
| DSDP Site 217, N. Indian Ocean |
| XPL |
|
| Tranolithus orionatus
(Reinhardt, 1966a) Reinhardt, 1966b
|
| Albian-Maastrichtian
|
| Folkestone, UK |
| XPL |
|
| Uniplanarius trifidus
(Stradner in Stradner and Papp, 1961) Hattner and Wise, 1980
|
| Campanian-Maastrichtian
|
| DSDP Site 217 N. Indian Ocean |
| XPL |
|
| Uniplanarius trifidus
(Stradner in Stradner and Papp, 1961) Hattner and Wise, 1980
|
| Campanian-Maastrichtian
|
| DSDP Site 241 W. Indian Ocean |
| XPL |
 |
| Palaeogene |
|
| Chiasmolithus solitus
(Bramlette and Sullivan, 1961) Locker, 1968
|
| Lutetian-Bartonian (Middle Eocene)
|
| Whitecliff Bay, UK |
| PC |
|
| Chiasmolithus solitus
(Bramlette and Sullivan, 1961) Locker, 1968
|
| Lutetian-Bartonian (Middle Eocene)
|
| Fayum, Egypt |
| oblique distal view SEM |
|
| Discoaster tanii
Bramlette and Riedel, 1954
|
| Middle Eocene-Oligocene
|
| Hampden Beach, New Zealand |
| distal view SEM |
|
| Discoaster saipanensis
Bramlette and Riedel, 1954
|
| Middle-Upper Eocene
|
| Fayum, Egypt |
| distal view SEM |
|
| Discoaster saipanensis
Bramlette and Riedel, 1954
|
| Middle-Upper Eocene
|
| Benidorm, Spain |
| distal view SEM |
|
| Discoaster saipanensis
Bramlette and Riedel, 1954
|
| Middle-Upper Eocene
|
| Whitecliff Bay, UK |
| PC |
|
| Discoaster kuepperi
Sradner, 1959
|
| Lower-Middle Eocene
|
| North Sea, UK |
| PC |
|
| Discoaster kuepperi
Sradner, 1959
|
| Lower-Middle Eocene
|
| Benidorm, Spain |
| proximal view SEM |
|
| Discoaster kuepperi
Sradner, 1959
|
| Lower-Middle Eocene
|
| Benidorm, Spain |
| distal view SEM |
|
| Discoaster kuepperi
Sradner, 1959
|
| Lower-Middle Eocene
|
| Benidorm, Spain |
| side view SEM |
|
| Cruciplacolithus primus
Perch-Nielsen, 1977
|
| Upper Palaeocene
|
| St. Paul Monastery, Egypt |
| oblique distal view SEM |
|
| Neococcolithus dubius
(Deflandre in Deflandre and Fert, 1954) Black, 1967
|
| Lower-Upper Eocene
|
| Whitecliff Bay, UK |
| oblique distal view SEM |
|
| Neococcolithus dubius
(Deflandre in Deflandre and Fert, 1954) Black, 1967
|
| Lower-Upper Eocene
|
| Whitecliff Bay, UK |
| distal view SEM |
|
| Fasciculithus tympaniformis
Hay and Mohler in Hay et al, 1967
|
| Upper Palaeocene-Lower Eocene
|
| Pegwell Bay, Kent, UK |
| XPL |
|
| Fasciculithus tympaniformis
Hay and Mohler in Hay et al, 1967
|
| Upper Palaeocene-Lower Eocene
|
| St. Paul Monastery, Egypt |
| oblique proximal view |
|
| Fasciculithus tympaniformis
Hay and Mohler in Hay et al, 1967
|
| Upper Palaeocene-Lower Eocene
|
| St. Paul Monastery, Egypt |
| proximal view |
|
| Sphenolithus moriformis
(Bronniman and Stradner, 1960) Brmlette and Wilcoxon, 1967
|
| Palaeocene-Pliocene
|
| DSDP Site 590B, S.W Pacific |
| SEM |
|
| Sphenolithus moriformis
(Bronniman and Stradner, 1960) Brmlette and Wilcoxon, 1967
|
| Palaeocene-Pliocene
|
| DSDP Site 593, S.W Pacific |
| SEM |
|
| Discoaster lodoensis
Bramlette and Riedel, 1954
|
| Palaeocene-Pliocene
|
| Benidorm, Spain |
| XPL |
|
| Discoaster lodoensis
Bramlette and Riedel, 1954
|
| Palaeocene-Pliocene
|
| Benidorm, Spain |
| proximal view SEM |
|
| Discoaster lodoensis
Bramlette and Riedel, 1954
|
| Palaeocene-Pliocene
|
| Benidorm, Spain |
| distal view SEM |
 |
| Neogene |
|
| Amaurolithus amplificus
(Bukry and Percival) Gartner and Bukry, 1975
|
| Upper Miocene-Pliocene
|
| Manavgat, S.Turkey |
| XPL |
|
| Amaurolithus amplificus
(Bukry and Percival) Gartner and Bukry, 1975
|
| Upper Miocene-Pliocene
|
| Manavgat, S.Turkey |
| PC |
|
| Coccolithus pelagicus
(Wallich, 1871) Schiller, 1930
|
| Lower Palaeocene-Recent
|
| N. Atlantic off S.W coast of Iceland |
| SEM entire coccosphere |
|
| Coccolithus pelagicus
(Wallich, 1871) Schiller, 1930
|
| Lower Palaeocene-Recent
|
| ODP Site 1052b, Western N. Atlantic |
| SEM distal view 10 microns |
|
| Coccolithus pelagicus
(Wallich, 1871) Schiller, 1930
|
| Lower Palaeocene-Recent
|
| ODP Site 1052b, Western N. Atlantic |
| SEM proximal view 10 microns |
|
| Discoaster challengeri
Bramlette and Riedel, 1954
|
| Miocene-Pliocene
|
| Ghajn Tuffieha Bay, Malta |
| SEM proximal view |
|
| Discoaster challengeri
Bramlette and Riedel, 1954
|
| Miocene-Pliocene
|
| G. Mihmandar Borehole, Malta |
| PC |
|
| Discoaster exilis
Martini and Bramlette, 1963
|
| Middle Miocene
|
| Ghajn Tuffieha Bay, Malta |
| proximal view SEM |
|
| Discoaster exilis
Martini and Bramlette, 1963
|
| Middle Miocene
|
| Ghajn Tuffieha Bay, Malta |
| PC |
|
| Discoaster variabilis
Martini and Bramlette, 1963
|
| Middle Miocene-Pliocene
|
| Ghajn Tuffieha Bay, Malta |
| proximal view SEM |
|
| Discoaster variabilis
Martini and Bramlette, 1963
|
| Middle Miocene-Pliocene
|
| Ghajn Tuffieha Bay, Malta |
| PC |
|
| Florisphaera profunda
Okado and Honjo, 1973
|
| Middle Miocene-Recent
|
| Almerian Canyon, Western Mediterranian Sea |
| 10 microns SEM |
|
| Gephyrocapsa oceanica
Kamptner, 1943
|
| Pleistocene-Recent
|
| Almerian Canyon, Western Mediterranian Sea |
| 10 microns SEM |
|
| Calcidiscus tropicus
Kamptner, 1956
|
| Lower Miocene-Recent
|
| DSDP Site 593, S.W Pacific Ocean |
| SEM |
|
| Calcidiscus tropicus
Kamptner, 1956
|
| Lower Miocene-Recent
|
| DSDP Site 593, S.W Pacific Ocean |
| SEM |
|
| Helicosphaera carteri
(Wallich, 1877) Kamptner, 1954
|
| Upper Oligocene-Recent
|
| DSDP Site 590B, S.W Pacific Ocean |
| XPL |
|
| Helicosphaera carteri
(Wallich, 1877) Kamptner, 1954
|
| Upper Oligocene-Recent
|
| DSDP Site 590B, S.W Pacific Ocean |
| proximal view SEM |
|
| Reticulofenestra pseudoumbilica
(Gartner) Gartner, 1969
|
| Miocene-Pliocene
|
| Ghajn Tuffieha Bay, Malta |
| proximal view SEM |
|
| Reticulofenestra pseudoumbilica
(Gartner) Gartner, 1969
|
| Miocene-Pliocene
|
| Ghajn Tuffieha Bay, Malta |
| coccosphere SEM |
|
| Sphenolithus heteromorphus
Deflandre, 1953
|
| Lower Miocene-Middle Miocene
|
| DSDP Site 593, S.W Pacific Ocean |
| SEM |
|
| Sphenolithus heteromorphus
Deflandre, 1953
|
| Lower Miocene-Middle Miocene
|
| DSDP Site 590B, S.W Pacific Ocean |
| SEM |
 |